- Главная
- Комплектующие
- Сервомоторы
- MS2N10-E0BH (69,0 Н·м, 2000 об/мин)
MS2N10-E0BH (69,0 Н·м, 2000 об/мин)
Артикул MS2N10-E
Новое поколение двигателей Rexroth MS2N для интеллектуальных решений в среде Индустрия 4.0.
Размер фланца 196x196 мм.
63,2 Н·м - 1500 об/мин.
63,2 Н·м - 3000 об/мин.
69,0 Н·м - 2000 об/мин.
69,0 Н·м - 3000 об/мин.
Обороты [об/мин]: 1 500
Высокий крутящий момент, высокие скорости вращения, удобное подключение по одному кабелю, а также обширные программные опции: новое поколение двигателей Rexroth MS2N соединяет максимальную динамику с компактными размерами и лучшими показателями энергоэффективности. Для адаптации оптимальной массы доступны роторы с низкой или средней инерцией.
В новой линии MS2N интеллектуальная система расширена вплоть до мотора. Она сохраняет индивидуальные показатели каждого отдельного двигателя, в том числе насыщенность и температурные данные, в память двигателя.
Контроллеры привода IndraDrive обрабатывают эти значения в режиме реального времени, что значительно повышает точность крутящего момента, при этом уменьшая диапазон значений допусков, которые до сих пор были стандартом. Таким образом, серводвигатель может быть использован и как надежный датчик, и как источник данных. В этом случае приложения в среде Индустрия 4.0 могут быть реализованы с минимальными затратами и без дополнительных компонентов.
Короткие головки катушки и высокоэффективный мотор дают компактные размеры с минимальными потерями мощности. Это приводит к существенному повышению энергоэффективности и снижает эксплуатационные расходы в долгосрочной перспективе. Имеющаяся операция ослабления поля в сочетании с приводом IndraDrive расширяет используемый диапазон скорости крутящего момента сверх предельного напряжения.
У двигателей MS2N010 размер разъема питания соответствует току двигателя. Таким образом, MS2N10 комплектуется штекерами М40, М58 или клеммной коробкой. Штекер энкодера для всех двигателей с подключением двойного кабеля завершается в M17. Все вилки являются поворотными и оснащены удобной быстрой блокировкой.
![]() |
![]() |
![]() |
| питание М40, энкодер М17 | питание М58, энкодер М17 | питание клеммная коробка, энкодер М17 |
Двигатели MS2N10 могут поставляться со встроенным вентилятором, что позволяет значительно увеличить номинальный крутящий момент в тех же конструкционных размерах. Двигатели, оснащенные вентилятором, имеют категорию защиты IP65 и встроенный датчик температуры, а потому подходят для использования в неблагоприятных условиях окружающей среды. Сертифицированная искробезопасность («Thermally Protected F» в соответствии с UL) защищает источник питания с помощью внешнего выключателя защиты. Вентиляторы поставляются с напряжением питания 115 В или 230 В.
Структура условного обозначения сервомоторов модели MS2N10-E

*Необходимые параметры укажите в комментарии к заказу.
Технические параметры
| Параметры | MS2N10- | |||
| E1BF | E1BN | E0BH | E0BN | |
| Скорость вращения | ||||
| номинальная | 1500 об/мин | 3000 об/мин | 2000 об/мин | 3000 об/мин |
| максимальная | 3000 об/мин | 6000 об/мин | 4000 об/мин | 6000 об/мин |
| Крутящий момент | ||||
| номинальный 60К | 63,2 Н·м | 69,0 Н·м | ||
| номинальный 100К | 75,0 Н·м | 83,0 Н·м | ||
| с вентилятором | 107,5 Н·м | 119 Н·м | ||
| максимальный | 266 Н·м | 234 Н·м | ||
| Ток | ||||
| номинальный 60К | 16,8 А | 33,5 А | 25,4 А | 34,7 А |
| номинальный 100К | 20,1 А | 40,1 А | 31,0 А | 42,4 А |
| с вентилятором | 29,2 А | 58,4 А | 46,1 А | 62,9 А |
| максимальный | 81 А | 162 А | 103 А | 140 А |
| Момент инерции | ||||
| без тормоза | 0,02500 кг·м2 | 0,01140 кг·м2 | ||
| с тормозом | 0,02770 кг·м2 | 0,01410 кг·м2 | ||
| Вес | ||||
| без тормоза | 45,0 кг | |||
| с тормозом | 52,0 кг | |||
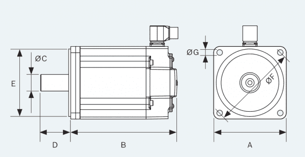
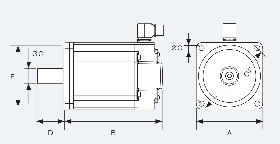
Конструктивные размеры
| Фланец | Базовая длина | Длина энкодера | Длина тормоза |
Длина вентилятора |
Вал | |
| энкодер С | энкодер D | |||||
| 196х196 мм | 354 мм | +0 мм | +0 мм | +60 мм | +98 мм | ∅38 х 80 мм |
Для заказов на сумму более 50 000 руб. доставка включена в стоимость.
В других случаях рассчитывается исходя из веса отправления и региона доставки.
Возможна доставка любой удобной для заказчика ТК
Сроки доставки от 1 до 3 дней по Центральному региону
По умолчанию мы работаем с двумя курьерскими компаниями:
Major — российская компания, занимающаяся продажей автомобилей и перевозками грузов. Крупнейший, наряду с «Рольфом», автодилер страны.
DPDgroup — международная служба экспресс-доставки. В среднем ежедневно доставляет более 5 миллионов посылок. Работает под торговой марками DPD.
Это наши проверенные партнеры. Однако если вы предпочитаете работать с другой курьерской службой, у нас нет ограничений. Просто сообщите нам об этом. Мы согласуем все условия и отправим заказ с полным комплектом сопутствующей документации.
Как оплатить?
Оплата принимается по безналичному расчету. После согласования заказа мы выставляем счет на оплату. Заказ считается оплаченным после поступления суммы заказа на расчетный счет ООО «Эффективное производство».
Как получить?
География доставки — вся Россия. При перевозке грузы подлежат страхованию. Обычно доставка входит в стоимость продукции.
Приобретая продукцию у нас, вы можете быть уверены, что получаете оригинальное сертифицированное оборудование, комплектующие и оснастку.
На весь представленный ассортимент распространяется гарантия завода-изготовителя. Для каждого конкретного изделия производитель устанавливает определенный гарантийный срок. Обычно он составляет 12-36 месяцев.
Согласно п. 1 ст. 471 Гражданского кодекса РФ гарантийный срок на товар исчисляется с момента фактической передачи его покупателю.
При наступлении гарантийного случая и отсутствии следов некорректной эксплуатации, осуществляется замена неисправного оборудования в соответствии с Законом о защите прав потребителей.
Если утрата функциональности изделия связана с механическими повреждениями, попытками модификации или ремонта, нецелесообразным использованием, то компания ООО «Эффективное производство» не несет за это ответственности, а действие гарантийных обязательств прекращается.
Иногда мы сталкиваемся с ситуацией, когда подлинные запчасти работают некорректно, т.к. нарушена технология их установки. В таком случае наши инженеры удаленно помогают клиентам наладить эксплуатацию.








































