- Главная
- Комплектующие
- Панели оператора
- Панели оператора DELTA ELECTRONICS TP
Панели оператора DELTA ELECTRONICS TP
Артикул TP
- Простое и интуитивно понятное программирование панели (с помощью бесплатной программной оболочки с дружественным интерфейсом).
- Встроенные интерфейсы: RS-232 и RS-485. Панель TP04G можно использовать как одну, так и во взаимодействии с другими устройствами соединенными в сеть.
- Встроенные часы реального времени и календарь.
- Автоматическое выключение дисплея для экономии электроэнергии.
- Множество встроенных программных функций, создание графических и текстовых объектов, 12 функциональных клавиш.
- Регулировка яркости подсветки ЖК-дисплея.
- Способность отображения состояния входов/выходов и других внутренних компонентов (счетчики, таймеры, регистров и т.п.) PLC.
- Возможность защиты паролем системной информации
Артикул товара: TP
ООО «Эффективное производство» - официальный партнер компании DELTA ELECTRONICS в России
Особенности:
- Простое и интуитивно понятное программирование панели (с помощью бесплатной программной оболочки с дружественным интерфейсом).
- Встроенные интерфейсы: RS-232 и RS-485. Панель TP04G можно использовать как одну, так и во взаимодействии с другими устройствами соединенными в сеть.
- Встроенные часы реального времени и календарь.
- Автоматическое выключение дисплея для экономии электроэнергии.
- Множество встроенных программных функций, создание графических и текстовых объектов, 12 функциональных клавиш.
- Регулировка яркости подсветки ЖК-дисплея.
- Способность отображения состояния входов/выходов и других внутренних компонентов (счетчики, таймеры, регистров и т.п.) PLC.
- Возможность защиты паролем системной информации
Программирование.
Для программирования этой панели используется бесплатно распространяемый программный пакет «TPEdit», работающий под управлением операционной системы Windows 98/2000/XP. TPEdit можно загрузить с нашего web-сайта или с www.deltaww.com. Созданная пользователем программа, компилируются, а затем загружаются в рабочую память панели. В выводимую на панель информацию можно включать слова и буквы на кириллице, латинице, цифры, статические и динамические рисунки, графики и диаграммы. TPEdit предоставляет пользователю множество заготовок для часто применяемых случаев, это упрощает создание графических образов и сокращает время написания программы.| Серия | TP02G-AS1 ![]() |
TP04G-AS2![]() |
TP05G-BS2![]() |
TP08G-BS2![]() |
|---|---|---|---|---|
| Тип экрана | STN LCD | |||
| Цветность | Монохромный | |||
| Разрешение (pixels) | 160 X 32 | 128 X 64 | 160 X 80 | 240 X 128 |
| Лампа подсветки | CCFL. ресурс: прим. 50 000 часов при 25 С | |||
| Размер экрана | 72мм x 22мм | 3.00" (67x32мм) | 3.8" (83x41мм) | |
| Тип процессора | Hitachi 3064 | STR710RZ | ||
| Flash память | 256 кБайт | 512 кБайт | ||
| Порты загрузки программы | COM1(RS232) | |||
| Коммуникац.порты | COM1(RS232) COM2(RS485) |
COM1(RS232/RS422) COM2(RS485) |
||
| Слот расширения | Слот для карты копирования программы | |||
| Часы, календарь | Нет | Есть | ||
| Пакет программирования | TPEditor | |||
| Системные кнопки | 6 | 7 | 12 | |
| Функциональные кнопки | 10 | 5 | ||
| Напряжение питания | DC + 24V (-10%~+20%) | |||
| Потребл. мощность | 3Вт макс. | 3.5Вт макс. | ||
| Тип батарейки | 3В литиевая батария CR2032*1 | |||
| Зуммер | 85dB | |||
| Рабочая температура | 0 °С ... 50 °С | |||
| Температура хранения | -20 °С ... 60 °С | |||
| Влажность среды | Относ. влажность 10 ~ 90% RH (без конденс.) при 0~40 °С | |||
| Допустимая вибрация | Перемещение до 0.5мм с частотой 10-55Гц по трем осям в теч. 2 часов. Ударопрочность до 10G в теч. 11мс, до 3-х раз по каждой из осей |
|||
| Охлаждение | Естественное воздушное охлаждение | |||
| Габаритные размеры Ш x В x Г (мм) |
147 х 97 х 35.5 | 210 x 122 x 45 | ||
| Масса | 240г | 430г | ||
| Степень защиты передней панели. Соответствие по ЭМС |
IP65/NEMA4 & CE,UL | |||
Для заказов на сумму более 50 000 руб. доставка включена в стоимость.
В других случаях рассчитывается исходя из веса отправления и региона доставки.
Возможна доставка любой удобной для заказчика ТК
Сроки доставки от 1 до 3 дней по Центральному региону
По умолчанию мы работаем с двумя курьерскими компаниями:
Major — российская компания, занимающаяся продажей автомобилей и перевозками грузов. Крупнейший, наряду с «Рольфом», автодилер страны.
DPDgroup — международная служба экспресс-доставки. В среднем ежедневно доставляет более 5 миллионов посылок. Работает под торговой марками DPD.
Это наши проверенные партнеры. Однако если вы предпочитаете работать с другой курьерской службой, у нас нет ограничений. Просто сообщите нам об этом. Мы согласуем все условия и отправим заказ с полным комплектом сопутствующей документации.
Как оплатить?
Оплата принимается по безналичному расчету. После согласования заказа мы выставляем счет на оплату. Заказ считается оплаченным после поступления суммы заказа на расчетный счет ООО «Эффективное производство».
Как получить?
География доставки — вся Россия. При перевозке грузы подлежат страхованию. Обычно доставка входит в стоимость продукции.
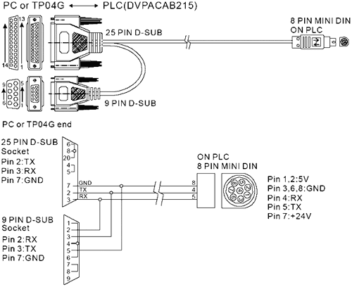
Коммуникационные кабели.
Кабель DVPACAB530 для соединения панели TP04 и персонального компьютера (PC)

Кабель DVPACAB215 (1.5м) и DVPACAB230 (3.0 м без 25pin разъема) для соединения панели TP04 и ПЛК серии DVP

Приобретая продукцию у нас, вы можете быть уверены, что получаете оригинальное сертифицированное оборудование, комплектующие и оснастку.
На весь представленный ассортимент распространяется гарантия завода-изготовителя. Для каждого конкретного изделия производитель устанавливает определенный гарантийный срок. Обычно он составляет 12-36 месяцев.
Согласно п. 1 ст. 471 Гражданского кодекса РФ гарантийный срок на товар исчисляется с момента фактической передачи его покупателю.
При наступлении гарантийного случая и отсутствии следов некорректной эксплуатации, осуществляется замена неисправного оборудования в соответствии с Законом о защите прав потребителей.
Если утрата функциональности изделия связана с механическими повреждениями, попытками модификации или ремонта, нецелесообразным использованием, то компания ООО «Эффективное производство» не несет за это ответственности, а действие гарантийных обязательств прекращается.
Иногда мы сталкиваемся с ситуацией, когда подлинные запчасти работают некорректно, т.к. нарушена технология их установки. В таком случае наши инженеры удаленно помогают клиентам наладить эксплуатацию.





































